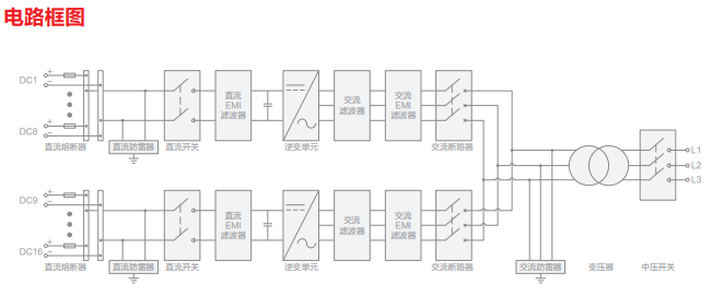
概述:
该产品是专为千兆瓦级集中式光伏电站研发的以“高集成度、高转换效率、强电网适配、智能便捷运维”为核心优势的一体化能源转换设备。
特点:
三电平拓扑技术,逆变器最高转换效率大于99%;集成PID修复功能,减小发电量损失
优化逆变与升压单元,系统更简洁;统一对外通讯接口,快速调试;IP55防护+C5防腐,环境适应性强
智能风机调速及故障检测,提高系统可靠性;故障录波、关键器件寿命预测,快速故障定位;集成数据采集与光纤环网,智慧运行管理
逆变器与变压器一体化连接,降低系统成本;预留储能接口,光储融合灵活配置;夜间SVG功能,降低电站建设与运营成本

参数:
产品型号 SPI3125K-B-HUD/T
直流侧输入
最大光伏阵列开路电压:1500Vdc
启动电压:915Vdc
MPPT电压跟踪范围:875~1500Vdc
MPPT/模组数量:2
光伏输入路数:16~24(可选)
最大直流工作电流:3992A
储能输入路数(可选):2
交流侧输出
额定输出功率:3125kW
最大视在功率:3438kVA
额定电网电压:10~35kV
额定电网频率:50Hz/60Hz
功率因数:>0.99(额定功率)
功率因数可调节范围:0.8(超前)~0.8(滞后)
THDi:<3%(额定功率)
逆变器效率
最大效率:99.05%
中国效率:98.56%
变压器
变压器类别:油浸式
变压器联结组别:Dy11/Yd11
变压器额定功率:3125kVA
变压器最大功率:3438kVA
其他功能
连续高低电压穿越功能:具备
故障录波诊断功能:具备
在线升级功能:具备
PID修复功能:具备
夜间SVG功能:具备
箱变测控单元:具备
基本参数
尺寸(宽×高×深)*:5500×2650×2438mm
重量*:13T
逆变器防护等级:IP55
逆变器冷却方式:智能强制风冷
变压器冷却方式:ONAN
最高工作海拔:5000m(>3000m定制)
工作环境温度:-35℃ ~60℃
工作环境湿度:0~100%(无冷凝)
低压辅助电源:5kVA(最大可选40kVA)
显示:LCD
通讯:Ethernet/RS485/光口
符合标准:NB/T32004-2018,GB/T37408-2019